WYSIWYG Web Builder
d0:pf01
clk:pf02
cmd:pf03
detect:ph01
vdd on 2.8 to 3.7 volts preferably 3.3
vss on gnd
missing resistors should be 10kohms
activity led can be added via cspin/led/1.5kohms/vdd
anyway this is a thinking out loud from what i found on the internet because i dont have my board in hand so take those infos with a grain of salt loll
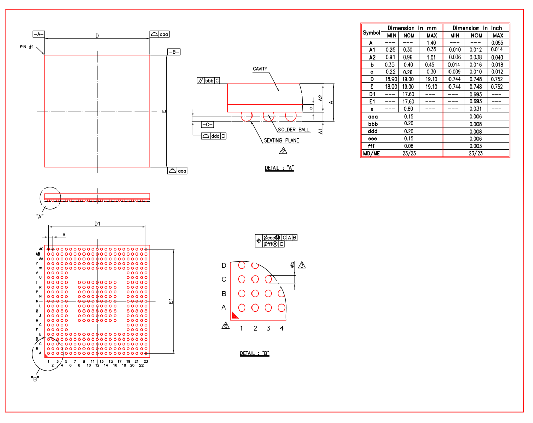
i still have to check out the data lines and pinout with my multimeter/scope to confirm the pinout and voltage and possibly readjust the resistor values to match the a20 sd specification chart v2
file downloads
have to be renamed as script.bin to work